Novi artikli
MULTIPLIKATOR GR.2 -1:3 MOŠKI
Šifra:
10718
OEM:
9990000006397
Stopnja davka
22 %
Cena brez DDV:
98,36 EUR
Cena z DDV:
120,00 EUR
Ref:
28

Informativen izračun ob nakupu na obroke
polog0,00 EUR
3 × 43,81 EUR
polog0,00 EUR
6 × 22,15 EUR
polog0,00 EUR
12 × 11,32 EUR
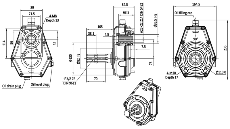
Uporaba
Multiplikator se koristi za povečanje vrtljajev zobniške črpalke in s tem posledično povečanje pretoka same črpalke.
Najpogosteje so uporabljeni za cepilce drv, traktorske nakladače in ostale traktorske priključke.
V osnovi sta moška izvedba z povezavo preko kardana in ženska izvedba z zatičem za namestitev neposredno na traktorski kardan.

Dobavitelj:
Italija
Vračilo ali menjava:
14 dni
Priključek:
Moški - 1" 3/8
Vrtljaji:
max. 3000 rpm
Vhodni moment:
180 Nm
Izhodni moment:
55 Nm
Teža izdelka:
5,4 kg
Vhodni vrtljaji:
540 vrt/min
Izhodni vrtljaji:
1680 vrt/min
Razmerje prenosa:
1:3
Garancija:
6 mesecev
Za obremenitve:
10 kW










