Neue Artikel
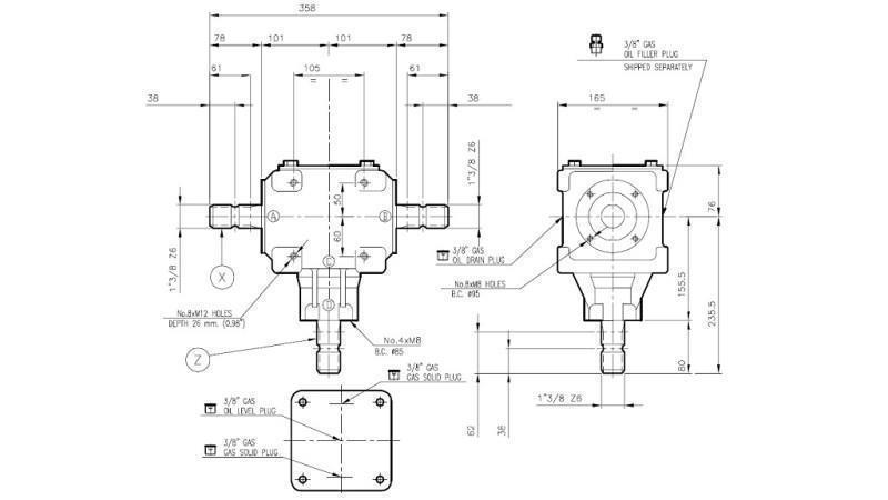
WINKELGETRIEBE T-27J 1:1 (55PS-40,4kW)
Beschreibung:
Kegelradgetriebe, auch Winkelgetriebe, sind eine Getriebe-Bauform. Sie dienen zum Übertragen von Drehbewegungen und Drehmomenten. Charakteristisches Merkmal sind die winklig zueinander stehenden An- und Abtriebswellen, deren Achsen einen gemeinsamen Schnittpunkt besitzen. Die Kraftübertragung erfolgt durch Kegelräder. Bei Achsversatz (wenn sich die Achsen von Kardanwelle und Antriebswellen nicht schneiden) spricht man auch von Kegelradschraubgetrieben (entspricht Hypoidgetrieben).
Bei Kegelradschraubgetrieben ist der Gleitanteil während der Drehbewegung höher als bei Kegelradwälzgetrieben. Das heißt, die Zähne wälzen und gleiten ab. Das Gleiten kommt durch Relativbewegungen der Berührungsflächen des Kegelrades und Kegelritzels zustande. Diese Wälz- oder Gleitbewegung bei Hypoidkegelradgetrieben begünstigt höhere Übersetzungsverhältnisse und entsprechend bessere Wirkungsgrade beim Anfahren im Vergleich zum Schneckengetriebe.
Aufbau und Anwendung:
Ein Kegelradgetriebe besteht aus einem Kegelrad (oft Tellerrad) und aus einem Kegelritzel. Die Achsen sind häufig 90° versetzt, andere Winkel sind möglich. Einsatzgebiete dieser Winkelgetriebe sind dort, wo hohe Untersetzungen, Drehmomente und Bewegungen gefragt sind. Meist erfolgt der Antrieb über das Kegelritzel, linke und rechte Drehrichtungen sind möglich.
Das Übersetzungsverhältnis ist der Quotient der Zähnezahl z2 des Kegelrades durch die Zähnezahl z1 des Kegelritzels. Eine Selbsthemmung wie bei Schneckengetrieben kommt nicht vor. Kegelradgetriebe werden als Leistungsgetriebe in Pressen, Walzwerken, Werkzeugmaschinenbau sowie in der Automation eingesetzt, überall dort, wo Bewegungen und Kräfte winklig übertragen werden.


.jpg)
.jpg)
.jpg)




