Neue Artikel
ÜBERSETZUNGSGETRIEBE GR.3 - 1:3 - MÄNNLICHE KUPPLUNG (EINGANG) / MÄNNLICHE KUPPLUNG (AUSGANG)
| Technische Informationen | |
| Lieferant: | China |
| Rückgabe oder Umtausch: | 14 Tage |
| Garantie: | 6 Monate |
| Übersetzungsverhältnis: | 1:3 |
| Für Hydraulikpumpen: | GR. 3 |
| Anschluss: | Zapfwellenwelle auf beiden Seiten - 1" 3/8 – 6 Nut (männlich) |
| Eingangsdrehzahl: | 540 U/min |
| Eingangsdrehmoment: | 49 daNm |
| Ausgangsdrehzahl: | 1620 U/min (max. 3000 U/min) |
| Ausgangsdrehmoment: | 16 daNm |
| Belastung: | bis zu 20 kW |
| Produktgewicht: | 8,3 kg |
| Getriebeöl: | SAE 90 Öl |
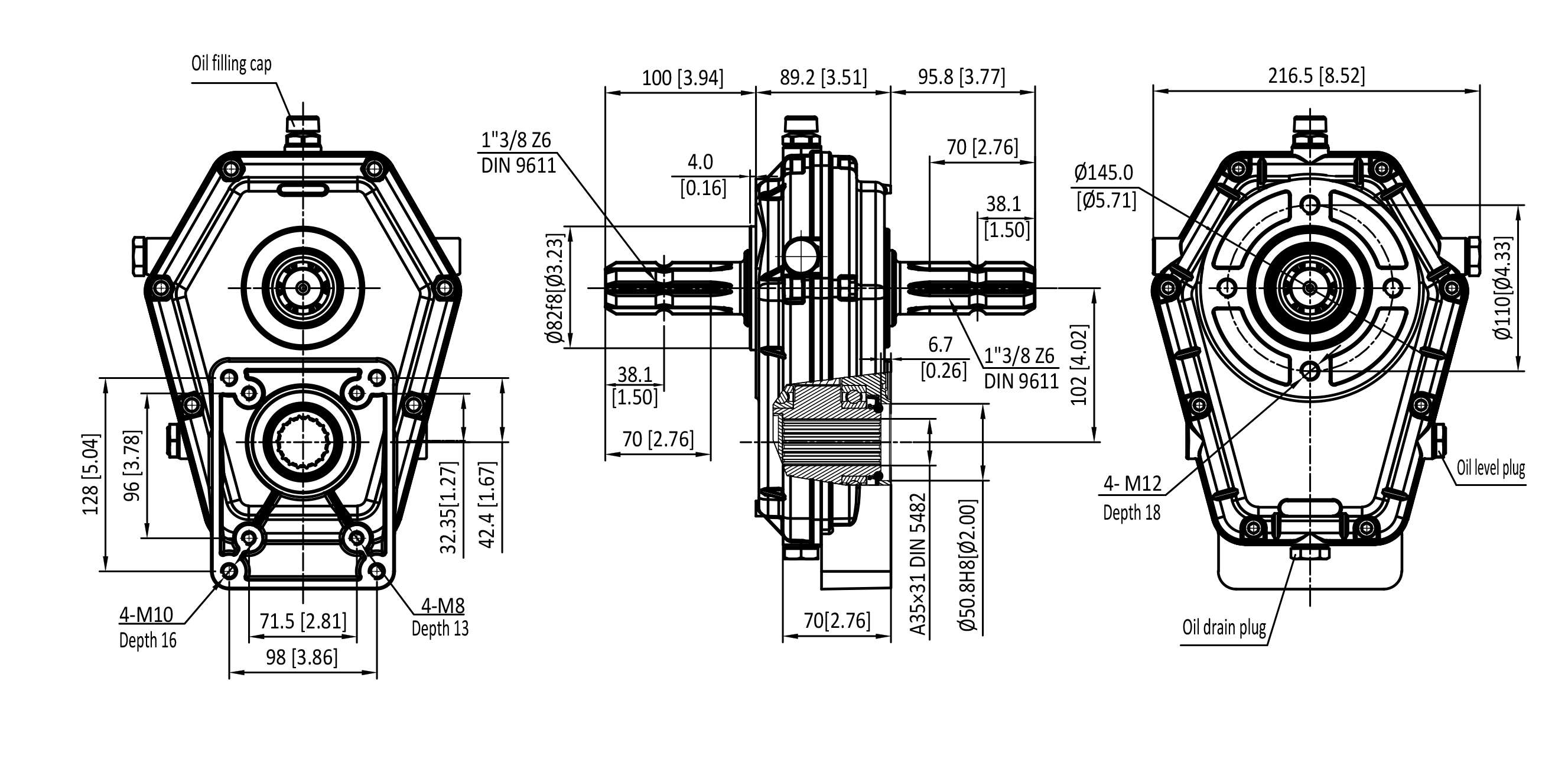
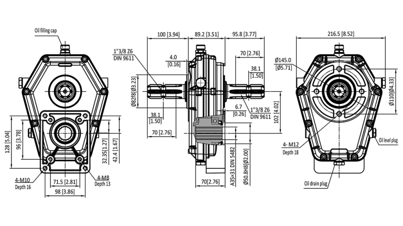
ABMESSUNGEN

BEDIENUNGSANLEITUNG
1. Zweckbestimmung
Das Getriebe ist eine mechanische Übersetzung, die die Drehzahl der Abtriebswelle erhöht und den Betrieb einer hydraulischen Zahnradpumpe über die Zapfwelle des Traktors ermöglicht.
Es wird verwendet zum Antrieb von:
- hydraulischen Aggregate,
- Forstwinden,
- Holzspaltern,
- sonstigen Hydraulikanlagen.
2. Einbaulage
Das Getriebe muss in der richtigen Betriebsposition montiert werden, um eine ordnungsgemäße Schmierung der Zahnräder zu gewährleisten. Eine horizontale Montage wird empfohlen, daher sollten Pumpe und Getriebe horizontal ausgerichtet sein.
Wichtig:
- Das Getriebe muss stets so eingebaut werden, dass das Öl im Gehäuse mit dem Zahnradantrieb in Kontakt ist,
- ein längerer Betrieb in umgekehrter Position ist nicht erlaubt,
- das Getriebe muss mechanisch abgestützt werden (es darf nicht nur an der Zapfwelle hängen).
3. Drehrichtung
Vor der Montage die Drehrichtung der Zapfwelle und die erforderliche Drehrichtung der Hydraulikpumpe überprüfen.
Eine falsche Drehrichtung kann Pumpenschäden, Dichtungsversagen und mangelhafte Öldurchströmung verursachen.
4. Öl-Schmierung
Das Getriebe muss ständig mit Öl im Inneren des Gehäuses geschmiert werden, um einen ordnungsgemäßen Betrieb der Zahnräder zu gewährleisten. Das empfohlene Schmiermittel ist Getriebeöl SAE 90.
Das Getriebe muss bis zur Kontrollmarke mit Öl gefüllt sein.
Vor der ersten Inbetriebnahme den Einfüllstopfen entfernen, das Gerät bis zur Markierung mit Öl füllen und den Stopfen wieder verschließen.
Vor jeder Benutzung den Ölstand prüfen. Der erste Ölwechsel wird nach 50 Betriebsstunden empfohlen, anschließend alle 1500 Betriebsstunden oder einmal jährlich.
5. Betriebstemperatur
Die normale Betriebstemperatur des Getriebegehäuses liegt zwischen 50 und 80 °C. Überschreitet sie 90 °C, Ölstand, Belastung und Ausrichtung überprüfen.
6. Wartung und mögliche Probleme
| Problem | Mögliche Ursache | Lösung |
| Überhitzung | Unzureichender Ölstand | Ölstand prüfen |
| Geräusche | Abgenutzte Lager | Wartung |
| Vibrationen | Falsche Ausrichtung | Montage überprüfen |
| Ölleckage | Defekte Dichtung | Dichtung ersetzen |









