Neue Artikel
HYDRAULISCHER PROPORTIONALVENTIL FÜR TRAKTOR UND ANHÄNGER BREMSEN - ÖLSYSTEM
Beschreibung:
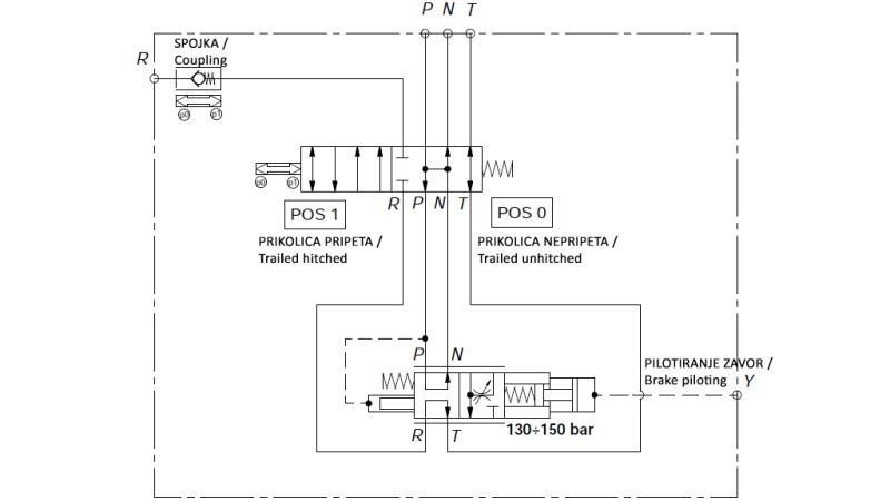
Hydraulischer Proportionalventil für Traktor ist eine Komponente, über die wir den Anhänger synchron bremsen können. Ventil wird an den Traktor montiert, anschließen muss man ihn an die schon existierte Hydraulik und schon existierten Bremssystem. Bremsventil wird direkt über Traktor Bremsdruck bedient. Ohne Druck im Hydrauliksystem Y (Traktor Bremssystem) ist B an T (Tank) angeschlossen und P an N (Durchfluss Überschuss) verbindet.
Als der Durchfluss im Y wächst, wird die Rückfeder von Durchflusskraft aktiviert und schließt die Verbindung zwischen B und T und erstellt die Verbindung zwischen B und P. Nach Bedarf wird der Durchfluss zwischen P und N geringer so das im B der Druck erstellt wird.
Load Sensing Ventil (LS) ist an B angeschlossen. Der größte Druck an dem Bremssystem beträgt 140 ± 10 bar.
Bei erster Bremsphase kann das Ventil den ganzen Durchfluss von der Pumpe in die Anhängerbremsen umleiten, deshalb kann der Verbraucher am N Anschluss eine kurze Zeit ohne Öl bleiben.
Anmerkungen bei Einbau:
Proportionsventil ist ein Sicherheitselement, der sehr viel Aufmerksamkeit bei Übersicht und Servis verlangt. Das Ventil soll niemals vor anderen Sicherheitskomponenten (zbs. Steuerung) eingebaut werden.
Gewöhnlich wir der Ventil zwischen der Pumpe und den Steuerventil eingebaut, wo keine Sicherheitskomponenten im diesen Hydraulikkreislauf gibt.










