Neue Artikel
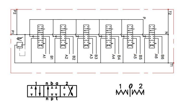
MANUELL HYDRAULISCHES VENTIL SEKTIONAL 6xPC100
Allgemeine Beschreibung:
Mechanische Hydraulikventil РC100 ist geeignet für die Distribution und die Steuerung von wirkendem Durchfluss zwischen der Pumpe und den Hydraulikzylinder. Bei den PC100 kann man die einzelne Segmente nach bedarf zusammen bauen oder weg abbauen.
Funktion:
Alle Hydraulikventile sind mit einem Überdruckventil ausgerüstet. In der neutralen Position (der Hebel in der Mitte) Kreist das Öl durch das Venti. Bei Hebelbewegung ins eine oder andere Seite, verursacht der Hydraulikventil die Bewegung von Zylinder etw. die Drehung von Öl Motor ins eine oder andere Seite. Bei Hebelnachlass kehrt der Hebel zurück in die neutrale Position der Öl Motor oder der Zylinder bleibt in gegenwärtige Position, der Öl kreist wieder durch das Ventil. Möglich ist auch die Verwendung von sogenannten »closed center« Element, was bei dem Ventil verursacht, das in der neutralen Position das Öl nicht mehr durch das Ventil kreist Das verursacht, dass das Ventil nicht mehr Durchflüssig ist. Bei Verwendung etw. Bindung von weiteren Ventilen verwendet man »carry over«, das Versorgung von Öl bei anderen Ventilen.
Bei Ventilen mit einem Schieber für Schwimmfunktion, ermöglicht der Schieber den freien Öldurchfluss, was bedeutet, dass sich der Zylinder frei bewegt.
Ventile mit dem Schieber für einmalwirkende Zylinder sind für einmalwirkende Zylinder geeignet.
Struktur:
Р100 ist ein Monoblock Distributivgesetztes Ventil. Aus Gusseisen EN-GJL300 hergestellt. Schieber ist aus Kohlenstoffstahl gemacht und ist hart verchromt.
Anschlüsse:
Der Spindel ist mit zwei M10 Schrauben befestigt.






