Neue Artikel
CETOP5 SOCKEL NG10 1M
Artikel Nummer
13277
OEM:
9990000149124
Steuersatz
22 %
Preis exklusive Mehrwertsteuer:
71,31 EUR
Preis inklusive Mehrwertsteuer:
87,00 EUR
Ref:
10
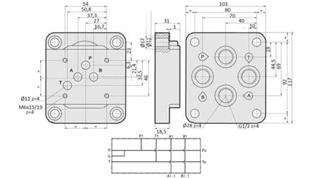
Beschreibung:
Basis für CETOP5 NG10 Hydraulikventile.
Lieferant:
Italien
Max. Druck:
350 bar
Rückerstattung oder Umtausch:
14 Tage
Produkt gewicht:
1,80 kg
Garantie:
6 Monate
Gewinde:
1/2"
Max. Druck:
350 bar








