Neue Artikel
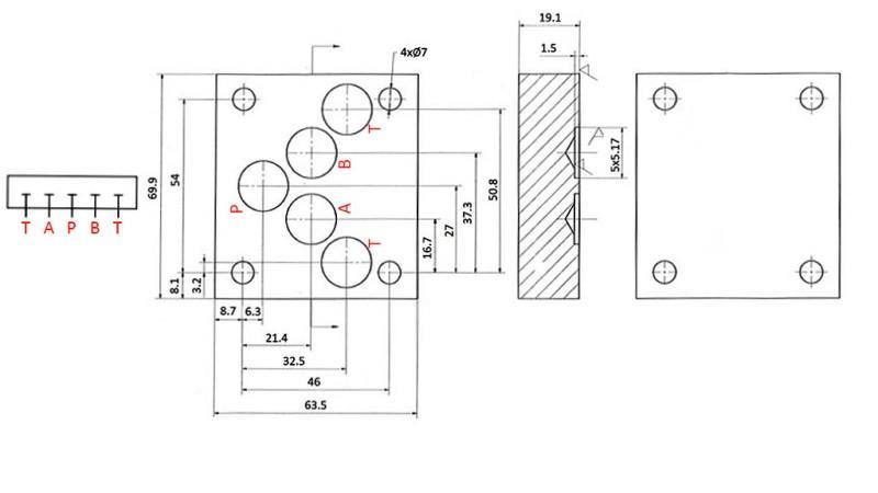
CETOP5 SOCKEL-GESCHLOSSEN
Artikel Nummer
13794
OEM:
9990000149179
Steuersatz
22 %
Preis exklusive Mehrwertsteuer:
12,30 EUR
Preis inklusive Mehrwertsteuer:
15,00 EUR
Ref:
2
Beschreibung:
Der geschlossene Sockel von cetop 5 ersetzt das Magnetventil des Verteilers (blindiert) und ermöglicht den normalen Betrieb der übrigen Einheiten des Verteilers.
Lieferant:
Spanien
Rückerstattung oder Umtausch:
14 Tage
Produkt gewicht:
0,69 kg
Garantie:
6 Monate
Material:
Schmiedestahl






