Novi artikli
HIDRAVLIČNI DELILNI VENTIL PRETOKA V1026 DFL 40-60 lit - 1/2 - 250 bar (max.300 bar) KOVINSKI
Šifra:
13691
OEM:
9990000102259
Stopnja davka
22 %
Cena brez DDV:
90,16 EUR
Cena z DDV:
110,00 EUR
Ref:
11

Informativen izračun ob nakupu na obroke
polog0,00 EUR
3 × 36,67 EUR
polog0,00 EUR
6 × 20,26 EUR
polog0,00 EUR
12 × 10,33 EUR
Opis:
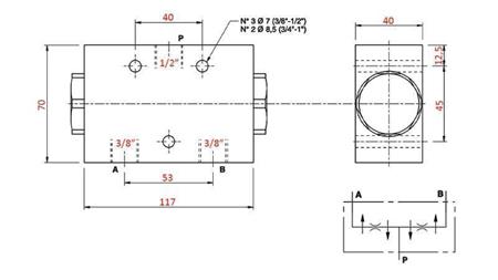
Hidravlični delilni ventil pretoka se uporablja, kadar se morata dva enaka aktuatorja, (ki nista mehansko povezana in ju napaja enaka črpalka ter krmili en ventil) istočasno premikati (raztezanje, razširanje, odvijanje, stiskanje, dvigovanje ...).
Priklopite P na tlak, A in B pa na aktuatorje.
Dobavitelj:
Italija
Max. delovni tlak:
250 bar
Vračilo ali menjava:
14 dni
Teža izdelka:
1,95 kg
Garancija:
6 mesecev
Navoj:
P = 1/2" A,B = 3/8"
pretok ventila:
40 - 60 lit
Max. tlak:
300 bar



%20KOVINSKI.jpg)
%20KOVINSKI.jpg)
%20KOVINSKI.jpg)


