Uudet tuotteet
MANUAALIVENTTIILI HYDRAULISELLE MOOTTORILLE MS CLOSE CENTER - 50LIT
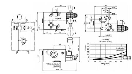
Kuvas:
Manuaaliventtiili on asennettu suoraan hydraulimoottoriin ja se palvelee sen ohjaamista suoraan hydraulimoottorilla.
Venttiilin vipu mahdollistaa päälle ja pois kytkemisen sekä hydraulimoottorin pyörimissuunta muuttamisen.
Venttiili 'OPEN CENTER'- Neutraaliasennossa hydraulimoottori ei pyöri. Sitä ei ohjata hydraulisesti, mutta hydraulimoottorin akseli voi pyöriä oman inertiansa tai kuorman inertian avulla.
Sitä käytetään yleisimmin sovelluksissa, joissa haluamme, että käyttö pysähtyy kuorman inertian mukana tai että käyttö - hydraulimoottori - voi pyöriä itsenäisesti.
Venttiili 'CLOSE CENTER'- Neutraaliasennossa hydraulimoottori pyörii, mikä tarkoittaa, että kuorman inertia ei voi pyörittää sitä.
Sitä käytetään yleisimmin sovelluksissa, joissa haluamme, että käyttö pysähtyy heti ja pysyy paikallaan sen jälkeen, kun käyttö - hydraulimoottori on kytketty pois päältä.






