Uudet tuotteet
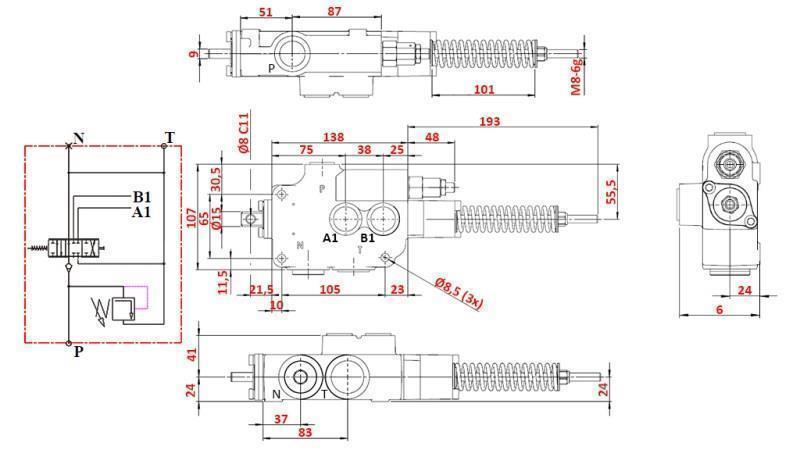
HYDRAULINEN VENTTIILI 1XZ80 A7 ZS1/G KULTIVAATTORI
Tuotekoodi:
13812
OEM:
9990000149568
Verokanta
22 %
Hinta ilman ALV:tä:
102,46 EUR
Hinta ALV:n kanssa:
125,00 EUR
Ref:
8
Kuvas:
Tämä erityinen hydraulinen venttiili on ensisijaisesti tarkoitettu yläpinnalle. Venttiili säätelee öljyn virtausta maaperän käsittelyn aikana. Voit katsoa lisää alla olevasta videosta.
Toimittaja:
Bulgaria
maksimipaine liitännässä "T":
50 bar
Palautus tai vaihto:
14 päivää
Tuotteen paino:
3.80 kg
nimellinen virta:
80 l/min
Takuu:
6 kuukautta
Kierre:
P, A, B = 1/2"; T, N = 3/4"
maksimipaine liitännässä "P":
250 bar
maksimipaine liitännöissä "A" ja "B":
300 bar







